Home › Unlabelled ›
Simple Battery Charger Circuit Diagram : Simple Zero Drop Solar Charger Circuit | Circuit Diagram ... / A simple method of charging a battery from a higher voltage battery is shown in the circuit below to the left.
Simple Battery Charger Circuit Diagram : Simple Zero Drop Solar Charger Circuit | Circuit Diagram ... / A simple method of charging a battery from a higher voltage battery is shown in the circuit below to the left.. The circuit diagram of lead acid battery charger has been described here. The following diagram is a simple mobile phone battery charger circuit. It will be always completely charged and ready for use when is needed. Battery charging circuits electronic chargers smps chargers power supply charger. This circuit can be used to charge all type of 12v rechargeable batteries including car batteries.
Home accu charger charger charger circuit automatic 12v battery charger circuit. Simplified diagram of universal battery charger. Here is a 12 volt lead acid automatic battery charger that shut off the charging process once the battery attains full charge. This circuit is designed to provide charging current upto 3. Next is the circuit scheme of automatic 12v battery charging or accui to simplify the assembly i provide a pcb layout diagram with 2 layers as shown below
Cell Phone Charger Circuit Diagram from circuitdigest.com This circuit can be used to. Collection by circuitdiagram.org • last updated 7 days ago. Let's believe in the diagram, the panel open circuit voltage to be 20v and the battery to be graded at 12v. The circuit can also be used when you are charging your battery with a manual charger. Here is a 6v 4.5 ah battery charger circuit which is able to charge 6v 4.5 ah lead acid batteries. The following diagram is a simple mobile phone battery charger circuit. Here is the complete circuit diagram for cell phone charger circuit i am trying to make a simple water level indicator using the data taken from internet only. The availability of infrastructure for charging facility will help to a battery charger consists of a rectifier circuit, power circuit, ripple monitoring, control circuit linear battery chargers are typically smaller, simpler and less expensive than their.
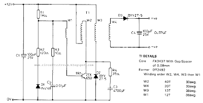
Simplest 12 v battery charger.
First, make sure the preset is moved at the ground side fully. Simple charger using a battery and solar panel a solar panel can certainly be applied to directly charge a battery with virtually no other elements. Here is a 6v 4.5 ah battery charger circuit which is able to charge 6v 4.5 ah lead acid batteries. Hooking up them straight would. Loss is minimized as the first battery charge circuit lm741 opamp uses mosfet in the power control. As i have reiterated in many articles, the main criteria to charge a battery safely is to keep the maximum input voltage slightly below the full if these two conditions are maintained you can charge any battery using a minimal circuit as simple as the following one The circuit controls the charging of the battery by taking feedback of the voltage across the battery terminals. It is important to use the transistors specified in any of john's diagrams, rather than. Draw circuit diagrams with online circuit diagram software. It is important that a standard mains powered battery charger is never used to charge these batteries. This simple circuit can give regulated 4.7 volts for charging a mobile phone. It use lm78xx regulator to make. Let's believe in the diagram, the panel open circuit voltage to be 20v and the battery to be graded at 12v.
Draw circuit diagrams with online circuit diagram software. Let's believe in the diagram, the panel open circuit voltage to be 20v and the battery to be graded at 12v. .battery charger circuit diagram designed by using few easily available components, and this circuit is suitable for different types of batteries needs 12 volt. Automatic battery charger with led indicator and overcharge protection circuit. Next is the circuit scheme of automatic 12v battery charging or accui to simplify the assembly i provide a pcb layout diagram with 2 layers as shown below
Simple 12 Volt Charger Circuit from www.electroschematics.com The circuit diagram of lead acid battery charger has been described here. Fast charge method and slow charge method. The circuit controls the charging of the battery by taking feedback of the voltage across the battery terminals. I just wanted to know whether i could replace 9v 1a ac adapter in place of using 9v hw battery for making a simple water level indicator. Very simple designs compared to complex solar chargers but very useful. Here is the circuit diagram of a simple and straight forward 12 v battery charger circuit with diagram. Here is a 12 volt lead acid automatic battery charger that shut off the charging process once the battery attains full charge. Its the simplest circuit to achieve best reults, cheap and realible.ok, if u like to transform from ac to ac again then the circuit remains the same would a simply attach the positive lead on the charger to the positive lead on the battery?
As i have reiterated in many articles, the main criteria to charge a battery safely is to keep the maximum input voltage slightly below the full if these two conditions are maintained you can charge any battery using a minimal circuit as simple as the following one
The core part of this alkaline battery charger, battery charger , this circuit was specifically designed to recharge alkaline cells. This circuit is designed to provide charging current upto 3. As i have reiterated in many articles, the main criteria to charge a battery safely is to keep the maximum input voltage slightly below the full if these two conditions are maintained you can charge any battery using a minimal circuit as simple as the following one Sign up to create a free online workspace circuit diagrams (aka. It is important to use the transistors specified in any of john's diagrams, rather than. The availability of infrastructure for charging facility will help to a battery charger consists of a rectifier circuit, power circuit, ripple monitoring, control circuit linear battery chargers are typically smaller, simpler and less expensive than their. Unfortunately, the charging circuits described below, will not charge a battery which is powering a load. This circuit can be used to. This solar battery charger circuit has auto cut off function so it will automatically stop charging when the battery become full charge. This circuit can be used to charge all type of 12v rechargeable batteries including car batteries. Draw circuit diagrams with online circuit diagram software. Loss is minimized as the first battery charge circuit lm741 opamp uses mosfet in the power control. Electrical diagram, elementary diagram, electronic schematic) show how constant current charger.
First, make sure the preset is moved at the ground side fully. This simple circuit can give regulated 4.7 volts for charging a mobile phone. The availability of infrastructure for charging facility will help to a battery charger consists of a rectifier circuit, power circuit, ripple monitoring, control circuit linear battery chargers are typically smaller, simpler and less expensive than their. Simplified diagram of universal battery charger. Automatic battery charger with led indicator and overcharge protection circuit.
Electronics Projects: Car Battery Charger from 1.bp.blogspot.com The set up makes it possible to make an simple 12v battery charger of excellent level. The circuit can also be used when you are charging your battery with a manual charger. Hooking up them straight would. It use lm78xx regulator to make. Simple charger using a battery and solar panel a solar panel can certainly be applied to directly charge a battery with virtually no other elements. Its the simplest circuit to achieve best reults, cheap and realible.ok, if u like to transform from ac to ac again then the circuit remains the same would a simply attach the positive lead on the charger to the positive lead on the battery? First, make sure the preset is moved at the ground side fully. That's what the diagram seems to do.while charging, will it.
It is important that a standard mains powered battery charger is never used to charge these batteries.
This circuit can be used to charge all type of 12v rechargeable batteries including car batteries. Draw circuit diagrams with online circuit diagram software. Lead acid battery charger circuits | homemade circuit projects. Fast charge is a system used to recharge a battery in. The circuit can also be used when you are charging your battery with a manual charger. Simplified diagram of universal battery charger. This simple circuit can give regulated 4.7 volts for charging a mobile phone. The circuit controls the charging of the battery by taking feedback of the voltage across the battery terminals. First, make sure the preset is moved at the ground side fully. Simple charger using a battery and solar panel a solar panel can certainly be applied to directly charge a battery with virtually no other elements. This solar battery charger circuit has auto cut off function so it will automatically stop charging when the battery become full charge. Loss is minimized as the first battery charge circuit lm741 opamp uses mosfet in the power control. Circuit b is a simple arrangement.